當前位置:首頁>>產品中心>>計量泵

DJ-D型機械驅動隔膜式計量泵

  • 質量穩定:全程質量監控,細致入微,全方位檢測,保證產品質量!
  • 交貨快捷:先進生產流水線,備貨充足,常規產品全部倉庫現貨供應!
  • 專業定制:高級工程師專業選型報價,各種材質非標產品皆可洽談定做!
銷售熱線 023-68691718
  • 產品概述
  • 性能參數
  • 適用范圍
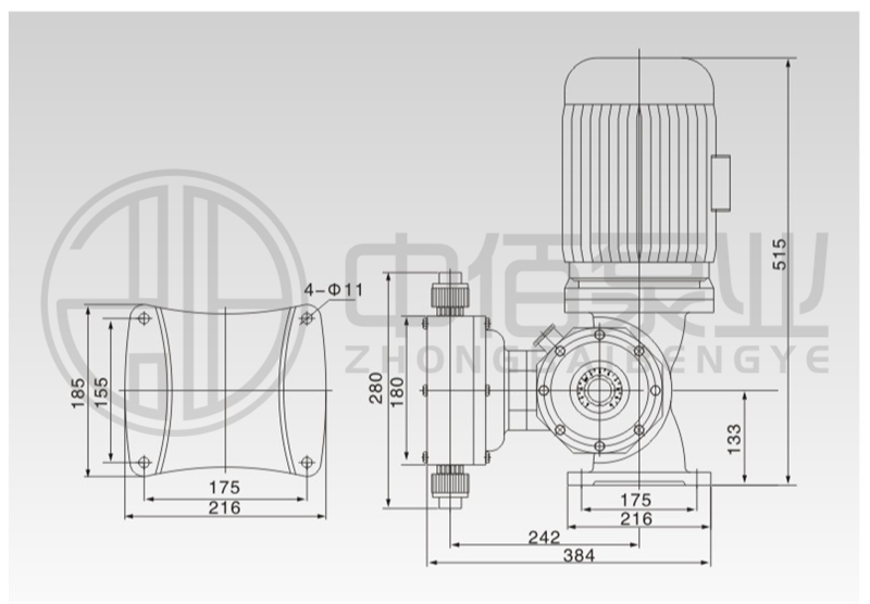
  • 安裝尺寸
  • 文檔下載

DJ-D型機械隔膜式計量泵--產品概述

 

隔膜計量泵是可按各種工藝流程的需要,流量可在0~100%范圍內無級調節定量輸送不含固體顆粒的腐蝕性和非腐蝕性液體的一種往復式特殊容積泵,分柱塞計量泵、液壓隔膜計量泵和機械隔膜計量泵。產品執行GB/T7782-2008計量泵標準。

 

DJ系列機械隔膜計量泵產品廣泛應用于石油、化工、水處理、環保、食品、輕工、造紙、制藥、印染、冶金、礦山等行業。

 

DJ-D型機械驅動隔膜式計量泵--產品特點

 

1、經濟型泵,最優性價比。結構簡單,方便維修。

2、完全不泄漏,安全性高,可輸送各種易燃、易爆、劇毒、放射性、強刺激性、強腐蝕性液體。

3、高精度單向止回閥,具有計量精確、結構緊湊、密封性好、壽命長、互換性強、成本低、安裝方便等諸多優點。

4、多種可選用的過流材料,還可按使用要求定制其他特殊材料,以適用輸送各種腐蝕性和非腐蝕性液體。

5、運行或停止狀態均可調節流量。

6、新型聚四氟乙烯與橡膠復合材料膜片,耐腐蝕、壽命長、適合輸送各種腐蝕性、危險性液體。

7、偏心凸輪機構驅動,機構緊湊,設備安裝空間小。

8、油浸潤滑,只需定期更換潤滑油,潤滑系統無需專門維護。雙凸輪球軸承推動,工作平穩。

 

DJ-D型機械驅動隔膜式計量泵--主要參數
 

1. 流量范圍:380-1800L/H

2. 壓力范圍:1.0-0.3 MPA

3. 驅動系統:兩相、三相電機或防爆電機

4. 防護等級: IP55

5. 流量控制:手動控制,自動控制

6. 環境溫度: -30℃--- 60℃

●標配:泵頭PVC 電機380V 50Hz

●選配:泵頭304、316、PTFE、

   電機420V、220V、110V、

   防爆電機、變頻電機






核電、火力、發電行業等爐水處理系統,循環冷卻系統,原水處理和廢水處理系統。


石油、化工等行業爐水處理系統,循環冷卻系統,化學添加劑投加系統、廢水處理系統。


市政給水、環保等污水處理系統。


其他相關行業液體投加系統。


·相關產品
·相關文章
·最新文章