當前位置:首頁>>產品中心>>計量泵

J-X型耐腐蝕柱塞式計量泵

  • 質量穩定:全程質量監控,細致入微,全方位檢測,保證產品質量!
  • 交貨快捷:先進生產流水線,備貨充足,常規產品全部倉庫現貨供應!
  • 專業定制:高級工程師專業選型報價,各種材質非標產品皆可洽談定做!
銷售熱線 023-68691718
  • 產品概述
  • 性能參數
  • 適用范圍
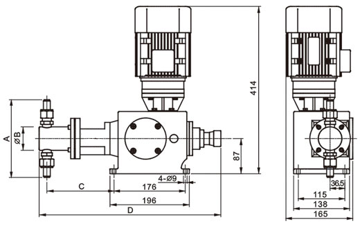
  • 安裝尺寸
  • 文檔下載

J-X型柱塞式計量泵--產品原理

 

◆ 通過柱塞的往復運動直接將工作介質(黃色)吸入和排出。由于柱塞和密封都接觸介質的情況下,選擇合適的柱塞材質和密封形式可保證泵在運轉過程中具有理想的性能。

 

柱塞式計量泵頭結構簡單、經濟、計量精度高,需要選擇和維護好密封。柱塞和密封之間橫向自動對中性確保二者之間磨損小。 柱塞材質有不銹鋼、氧化陶瓷,氧化陶瓷具有耐腐蝕和硬度高耐磨的特點。

 

J-X型柱塞式計量泵--產品特點

 

高性價比、自吸性能好、死角空間小、特殊設計的閥加熱/冷卻夾套。

特殊設計的密封,密封沖洗結構。

一種可選項:泵頭整體帶保溫夾套,閥易拆裝。

柱塞計量泵頭結構簡單、經濟、計量精度高,需要選擇和維護好密封。

柱塞和密封之間橫向自動對中性確保二者之間磨損小。柱塞材質有不銹鋼、氧化陶瓷,氧化陶瓷具有耐腐蝕性和硬度高耐磨的特點。

柱塞泵通過柱塞的往復運動直接將工作介質吸入和排除。

 

J-X型柱塞式計量泵--產品優點

 

◆ 高性價比、自吸性能好 、死角空間小、特殊設計的閥

 

◆ 加熱/冷卻夾套

 

◆ 密封沖洗結構

 

◆ 特殊設計的密封

 

◆ 一種可選項:頭整體帶保溫夾套,閥易拆卸


型號(MODEL)流量 (L/H)壓力Mpa)柱塞直徑(MM)行程(MM)泵速(MIN-1)功率(KW)進出口徑(MM)重量(KG)

J-X 0.8/50

0.8

50

4

20

96

0.55

3.0

30

J-X 1.3/50

1.3

50

5

0.55

J-X 2.0/50

2.0

40

6

0.55  

5.0

J-X 3.8/32

3.8

32

8

0.55

J-X 5.0/25

5.0

25

0.55

J-X 6.3/20

6.3

20

10

0.55

J-X 6.3/5

6.3

5

0.55

J-X 8/16

8

16

0.55

J-X 8/4

8

4

0.37

J-X 10/12.5

10

12.5

12

0.55

13.0

J-X 10/3.2

10

3.2

0.55

J-X 13/10

13

10

0.55

J-X 13/2.5

13

2.5

0.37

J-X 16/8

16

8

16

0.55

J-X 16/2.0

16

2.0

0.37

J-X 20/6.3

20

6.3

0.55

J-X 20/1.6

20

1.6

0.37

J-X 25/5

25

5

20

0.55

J-X 25/1.3

25

1.3

0.37

J-X 32/4

32

4

0.55

J-X 32/1

32

1

0.37

J-X 40/3.2

40

3.2

25

0.55

J-X 40/0.8

40

0.8

0.37

J-X 50/2.5

50

2.5

0.55

J-X 50/0.63

50

0.63

0.37

J-X 62/2

63

2.0

32

0.55

J-X 80/1.6

80

2.0

0.55

J-X 100/2

100

1.6

35

0.55

J-X 125/1.3

125

1.3

38

38

J-X 150/1.0

150

1.0

42

42



J-X型柱塞式計量泵適用于石油、石化/化工工藝過程中高壓力大流量工況要求,或危險化學品注入及輸送陸地及海上石油天然氣撬裝系統,核電、軍工等特殊工藝應用環保、醫藥、造紙、食品其它行業的關鍵過程。



·相關產品
·相關文章
·最新文章