當前位置:首頁>>產品中心>>計量泵

JYX型液壓隔膜式計量泵

  • 質量穩定:全程質量監控,細致入微,全方位檢測,保證產品質量!
  • 交貨快捷:先進生產流水線,備貨充足,常規產品全部倉庫現貨供應!
  • 專業定制:高級工程師專業選型報價,各種材質非標產品皆可洽談定做!
銷售熱線 023-68691718
  • 產品概述
  • 性能參數
  • 適用范圍
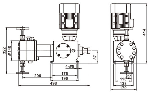
  • 安裝尺寸
  • 文檔下載

JYX型液壓隔膜式計量泵--產品概述

 

該型計量泵可輸送溫度-30℃-100℃,粘度為0.3-800mm2/s不含固體顆粒等腐蝕性或非腐蝕性液體介質。不同型號的計量泵均可根據用要求裝配變頻電機〔能接收4-20mA電流信號)或防爆電機。泵的型號規格及參數請參考本公司的產品樣本。

   液壓隔膜式計量泵常用單聯的獨立參數提供用戶。也可根據用戶需要制造同機座同規格的多聯組合或不同機座不同規格組合。多聯式適用于工藝流程中需多種介質的比例配送。該泵可廣泛用于石油、化工、紡織、食品、造紙、原子能技術、電廠、塑料、制藥、水廠、環保等工業和科技部門。用來向加壓或常壓容器及管道內精確定量輸送不含固體顆粒的液體。其流量可以開機(或定機)時從0-100%范圍內無級調節。〔根據計量泵的特性,最少行程一般不小于總行程的10%〉單缸適用于單一液體的場合;組合泵可作比例泵使用,也可并聯使用;泵組合可作為三比例泵使用,也可三泵并聯,以達到較大排量,增高了液體的脈沖頻率,促使液體連續順暢加入。

 

JYX型液壓隔膜式計量泵--技術參數

 

可調計量范圍:0-125L/H

最大壓力承受范圍:0-25MPa

驅動方式:電機驅動

控制方式:手動、自動控制

配置方式:泵頭保溫、冷卻、電機可配防爆

 

1、與介質直接接觸部位全采用不銹鋼及四氟材質。過流適應一般顆粒,無毒無味。

2、精鑄殼體,耐用,精密澆鑄殼體,鑄銅蝸輪及耐磨球軸承,潤滑油潤滑所有驅動零件。

3、易損部件全部經過特殊化處理,質量保證。

4、內部配置性能卓越的調節器總成,延長泵的使用壽命,并降低了噪音。

5、定量輸出,在泵運行或停止時也可任意調節流量,精密度高可達正負百分之一。

6、吐出壓力最高一款系列可達500KG。

7、適用于輸送溫度為 -30~120℃,粘度為 0.3~800mm2/s 的介質。

 

JYX型液壓隔膜式計量泵--工作條件

 

環境溫度: -30℃ --- 90℃

電機: 二相、三相標準電機或防爆電機 

功率:0.37KW 0.55KW

防護等級:IP54



型號

流量(L/H)

壓力(Mpa)

柱塞直徑(mm)

行程(mm)

泵速(mm)

電機功率(kw)

進出口徑(DN)

重量(kg)

JYX 7/20

7

20

10

25

96/144

0.55

6

37

JYX 7/13

7

13

0.37

JYX 11/14

11

14

12

0.55

JYX 11/9.0

11

9

0.37

JYX 16/14

16

14

0.55

JYX 16/9.0

16

9

0.37

JYX 20/8.0

20

8.0

16

0.55

JYX 20/5.4 

20

5.4

0.37

JYX 30/7.6

30

7.6

0.55

JYX 30/4.0

30

4.0

0.37

JYX 40/4.0 

40

4.0

25

0.55

10

40

JYX 40/4.0

40

3.2

0.37

JYX 50/3.2

50

3.2

0.55

JYX 50/1.6

50

1.6

0.37

JYX 75/3.2

75

3.2

0.55

JYX 75/2.2

75

2.2

0.37

JYX 100/2.0

100

2.0

28

0.55

JYX 100/1.3

100

1.3

0.37

JYX 120/2.0

120

2.0

32

0.55

JYX 120/1.3

120

1.3

0.37

JYX 150/1.6

150

1.6

35

0.55

JYX 150/1.1

150

1.1

0.37



JYX型液壓隔膜式計量泵廣泛應用于石油、石化/化工工藝過程中高壓力大流量工況要求,或危險化學品注入及輸送陸地及海上石油天然氣撬裝系統,核電、軍工等特殊工藝應用環保、醫藥、造紙、食品其它行業的關鍵過程。在泵頭內無介質的狀態下也可安全運行。



·相關產品
·相關文章
·最新文章