當前位置:首頁>>產品中心>>隔膜泵

QBY型氣動隔膜泵

  • 質量穩定:全程質量監控,細致入微,全方位檢測,保證產品質量!
  • 交貨快捷:先進生產流水線,備貨充足,常規產品全部倉庫現貨供應!
  • 專業定制:高級工程師專業選型報價,各種材質非標產品皆可洽談定做!
銷售熱線 023-68691718
  • 產品概述
  • 性能參數
  • 適用范圍
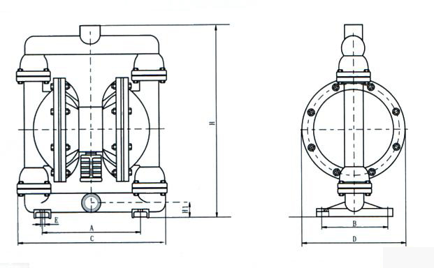
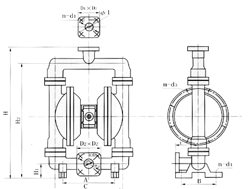
  • 安裝尺寸
  • 文檔下載


QBY型氣動隔膜泵--產品概述

 

中佰泵業生產的QBY型氣動隔膜泵是一種新型輸送機械,采用壓縮空氣為動力源,對于各種腐蝕性液體,帶顆粒的液體,高粘度、易揮發、易燃、劇毒的液體,均能予以抽光吸盡。其性能參數與聯邦德國的WLLDENPVMPS、美國的MARlOWPUMPS相近。

QBY型氣動隔膜泵--產品特點

QBY氣動隔膜泵既能抽送流動的液體,又能輸送一些不易流動的介質,具有自吸泵、潛水泵、屏蔽泵、泥漿泵和雜質泵等輸送機械的許多優點。

1、不需灌引水.吸程高達5m.揚程達70m.出口壓力≥6bar。

2、流動寬敞,通過性能好.允許通過最大顆粒直徑達10mm。抽送泥漿、雜質日寸,對泵磨損甚微;

3、揚程、流量可通過氣閥開度實現無級調節(氣壓調節在1—7 bar之間):

4、該泵無旋轉部件,沒有軸封,隔膜j|等抽送的介質與泵的運動部件、工件介質完全隔開,所輸送的介質不會向外泄漏。所以抽送有毒、易發揮或腐蝕性介質時,不會造成環境污染和危害人身安全;

5、不必用電.在易燃、易爆場所使用安全可靠;

6、可以浸沒在介質中工作:

7、使用方便、工作可靠、開停只需簡單地打開和關閉氣體閥門.即使由于意外情況而長時間無介質運行或突然停機泵也不會因此而損壞.一旦超負荷,泵會自地動停機,具有自我保護性能,當負荷恢復正常后,又能自動啟動運行;

8、結構簡單、易損件少,該泵結構簡單,安裝、維修方便,泵輸送的介質不會接觸到配氣閥,聯桿等運動部件,不象其他類型的泵因轉子、活塞、齒輪、葉片等部件的磨損而使性能逐步下降:

9、可輸送較粘的液體(粘度在1萬厘泊以下):

10、本泵無須用油潤滑,即使空轉.對泵也無任何影響,這是該泵最大特點。
 

QBY型氣動隔膜泵--運行原理
 



QBY型氣動隔膜泵--注意事項

1.本泵振動極其輕微,一般情況可不裝底腳螺栓。

2.如壓縮空氣有臟物進入,將會影響泵的正常啟動,建議用戶加裝氣動三聯件。

3.在抽吸易凍結的介質時,應在泵的進口處裝閥門,當停止用泵時,先將該閥關閉,然后再開泵數分鐘,將泵體介質排凈為止以免造成下次開泵困難。

更換隔膜時,須將泵內腕連桿,鉛套清洗干凈,并不要損壞白色四氟密封圈,按原樣裝好,即可使用。





型號

流量

(m 3 /h)

揚程

(m)

出口壓力

(kgf/cm 2)

吸程

(m)

最大允許能

過顆粒直徑

(mm)

最大供氣壓力

(kbf/cm 2)

最大供氣消耗量

(m 3 /min)

材料

鋁合金

不銹鋼

鑄造鐵

增強聚丙烯

QBY-10

0~0.8

0~50

5

5

1

7

0.3





QBY-15

0~1

0~50

5

5

1

7

0.3





QBY-25

0~2.4

0~50

5

7

2.5

7

0.6





QBY-40

0~8

0~50

5

7

4.5

7

0.6





QBY-50

0~12

0~50

5

7

8

7

0.9





QBY-65

0~16

0~50

5

7

8

7

0.9





QBY-80

0~24

0~50

5

7

10

7

1.5





QBY-100

0~30

0~50

5

7

10

7

1.5




★ 




1、泵吸花生醬、泡菜、土豆泥、小紅腸、果醬蘋果漿、巧克力等。


2、吸油漆、樹膠、顏料。


3、粘合劑和膠水、全部種類可用泵吸取。


4、各種瓦、瓷、磚器及陶器釉漿。


5、油井鉆好后,用泵吸沉積物及灌漿。


6、泵吸各種乳劑和填料。 .


7、泵吸各種污水。


8、用泵為油輪,駁船清倉吸取倉內污水。


9、啤酒花及發酵粉稀漿、糖漿、糖密。


10、泵吸礦井、坑道、隧道、選礦、礦渣中的積水。泵吸水泥灌漿及灰漿。


11、各種橡膠漿。


12、各種磨料、腐蝕劑、石油及泥漿、清洗油垢及一般容器。


13、各種劇毒、易燃、易揮發液體。


14、各種強酸、強堿、強腐蝕液體。


15、各種高溫液體最高可耐150℃。


16、作為各種固液分離設備的前級送壓裝置。 




 


型號

Model

A

B

C

D

E

H1

H2

H3

H

螺紋式

Screw

法蘭式

Flange

NPT/RC

D1

D2

D3

D

n

d

QBY-10

135

48

218

144

12

34

176

10

226

1/2

-

-

-

-

-

-

QBY-15

135

48

218

144

12

34

176

10

226

1/2

-

-

-

-

-

-

QBY-25

236

145

381

248

12

46

344

18

412

1

-

-

-

-

-

-

QBY-40

236

145

381

248

12

50

348

18

428

11/2

-

-

-

-

-

-

QBY-50

320

220

518

347

14

50

521

27

609

2

84

50

125

165

4

18

QBY-65

320

220

518

347

14

50

521

27

609

21/2

104

65

145

185

4

18

QBY-80

360

240

634

455

18

96

696

50

842

3

118

80

160

200

8

18

QBY-100

360

240

634

455

18

130

721

60

960

-

140

100

180

200

8

18



 


型號

A

B

C

D

E

H1

H

絲扣

備注

QBY-10

160

0

200

160

10

40

260

3/8”

 

鑄鐵、不銹鋼、鋁合金

 

QBY-15

160

0

200

160

10

40

260

1/2”

QBY-20

180

155

300

200

10

40

400

3/4”

QBY-25

210

160

320

230

12

50

470

1”

QBY-40

210

160

320

230

12

50

470

11/2



·相關產品
·相關文章
·最新文章